TF516MH-AB
La plus compacte de sa catégorie
Pompe la plus compacte de sa catégorie, conçue pour un déploiement rapide et une installation facile sur véhicule.
Système de refroidissement
Refroidissement par air
Modèle de pompe
Shibaura C505
Type de moteur
Moteur 2 temps à essence
Pression maximale
116 PSI (0,8 MPa)
Temps d’amorçage
1 m : 3,6 s
Débit
148 GPM @ 72,5 PSI 74 GPM @ 116 PSI
Comparez ce modèle dans la catégorie des pompes refroidies à l’air et consultez aussi le contenu lié aux scénarios d’intervention correspondants.
Courbe de performance

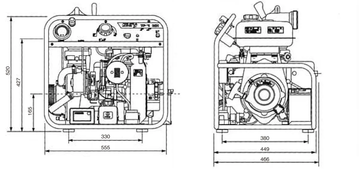
Dimensions

TF516MH-AB Fonctionnement de la pompe
Vidéo de démonstration du fonctionnement de la TF516MH-AB sur le terrain.
Spécifications techniques
Les données techniques nécessaires pour évaluer la TF516MH-AB.
| TF516MH-AB | |
|---|---|
| Dimensions hors tout (L × l × H) | 22 × 18 × 20.5 in 555 × 466 × 520 mm |
| Poids à sec | 90 lb 41 kg |
| Pompe | ||
|---|---|---|
| Modèle | SHIBAURA C505 | |
| Type | Pompe centrifuge haute pression mono-étagée | |
| Performance de refoulement | 72.5 psi (0.5 MPa)
1 m de hauteur d’aspiration (3.3 ft) | 148 gpm @ 72.5 psi, 3.3 ft 560 L/min |
| 72.5 psi (0.5 MPa)
3 m de hauteur d’aspiration (9.8 ft) | 141 gpm @ 72.5 psi, 9.8 ft 533 L/min | |
| 116 psi (0.8 MPa)
1 m de hauteur d’aspiration (3.3 ft) | 74 gpm @ 116 psi, 3.3 ft 280 L/min (0,8 MPa) | |
| 116 psi (0.8 MPa)
3 m de hauteur d’aspiration (9.8 ft) | 68 gpm @ 116 psi, 9.8 ft 257 L/min (0,8 MPa) | |
| Temps d’amorçage à 1 m | 3,6 secondes 3.6 secondes (3.3 ft de hauteur d’aspiration) | |
| Diamètre de refoulement | 65 mm (JIS) | |
| Diamètre d’aspiration | 65 mm (JIS) | |
| Moteur | |
|---|---|
| Modèle | SHIBAURA E180A |
| Type | Moteur essence 2 temps refroidi par air |
| Système de refroidissement | Refroidissement par air |
| Nombre de cylindres | 1 cylindre |
| Système d’alimentation | Carburateur à starter automatique |
| Cylindrée | 182 cc 11.1 cu in |
| Alésage × course | 65 mm × 55 mm 2.56 × 2.17 in |
| Puissance nominale | 10.8 hp 8,1 kW / 11 PS |
| Système de démarrage | Démarreur électrique et manuel |
| Capacité du réservoir de carburant | 1.11 gal 4,2 L |
| Consommation de carburant | 1.22 gal/h 4,6 L/h |
| Type de carburant | Essence sans plomb ordinaire |
| Pompe à vide | |
|---|---|
| Type | Pompe rotative excentrique à 4 palettes |
| Matériau des palettes | Carbone haute résistance |
| Hauteur d’aspiration maximale | 29.5 ft 9 m |
| Caractéristiques | |
|---|---|
| Moteur essence 2 temps original Shibaura | Oui |
| Pompe centrifuge originale Shibaura | Oui |
| Pompe à vide originale Shibaura | Oui |
| Système de surveillance avec alerte | Oui |
| Vanne de refoulement rapide | Oui |
Ce modèle mérite aussi d’être comparé pour les interventions rurales, les sites isolés et les accès éloignés.
Voir le cas d’usage interventions éloignées

