TF516MH-AB
The smallest pump in its class, offering superior mobility
Smallest-in-class pump for rapid deployment and easy vehicle mounting.
Cooling system
Air-cooled
Pump model
Shibaura C505
Engine type
2-stroke gasoline engine
Max pressure
116 PSI (0.8 MPa)
Priming performance
1 m : 3.6 sec
Discharge performance
148 GPM @ 72.5 PSI 74 GPM @ 116 PSI
Compare this model within the air-cooled pumps and review the related operational scenario page as part of your selection process.
Performance Curve

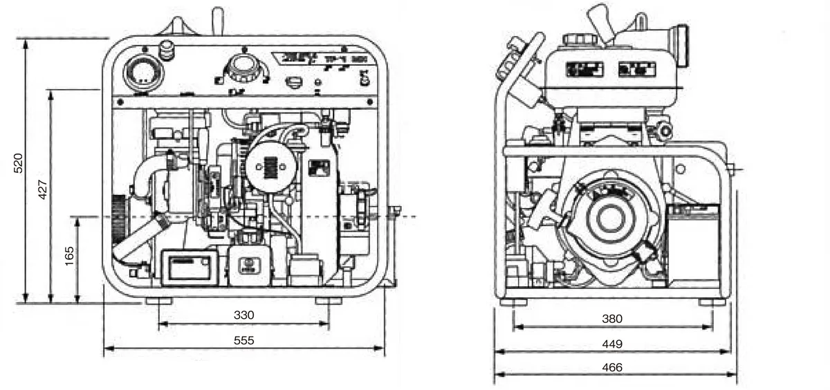
Dimensions

TF516MH-AB Pump Operation
See the TF516MH-AB pump operating in the field.
Technical Specifications
The specifications procurement teams need to evaluate the TF516MH-AB.
| TF516MH-AB | |
|---|---|
| Overall Dimensions (L × W × H) | 22 x 18 x 20.5 in 555 x 466 x 520 mm |
| Dry Weight | 90 lb 41 kg |
| Pump | ||
|---|---|---|
| Model | SHIBAURA C505 | |
| Type | High pressure, single stage centrifugal pump | |
| Discharge Performance | 72.5 psi (0.5 MPa)
1 m suction head (3.3 ft) | 148 gpm @ 72.5 psi, 3.3 ft 560 L/min |
| 72.5 psi (0.5 MPa)
3 m suction head (9.8 ft) | 141 gpm @ 72.5 psi, 9.8 ft 533 L/min | |
| 116 psi (0.8 MPa)
1 m suction head (3.3 ft) | 74 gpm @ 116 psi, 3.3 ft 280 L/min (0.8MPa) | |
| 116 psi (0.8 MPa)
3 m suction head (9.8 ft) | 68 gpm @ 116 psi, 9.8 ft 257 L/min (0.8MPa) | |
| Priming performance at 1 m | 3.6 Seconds 3.6 Seconds (3.3 ft suction head) | |
| Discharge Diameter | 65 mm (JIS) | |
| Suction Diameter | 65 mm (JIS) | |
| Engine | |
|---|---|
| Model | SHIBAURA E180A |
| Type | Air cooled 2-stroke gasoline engine |
| Cooling system | Air cooled type |
| No of cylinder | 1 cylinder |
| Fuel system | Auto choke carburetor |
| Displacement | 182 cc 11.1 cu in |
| Bore x Stroke | 65 mm x 55 mm 2.56 x 2.17 in |
| Rated output | 10.8 hp 8.1 kW / 11 PS |
| Starting | Electric starter & manual starter |
| Fuel tank capacity | 1.11 gal 4.2 L |
| Fuel Consumption | 1.22 gal/h 4.6 L/h |
| Fuel type | Regular unleaded gasoline |
| Vacuum Pump | |
|---|---|
| Type | 4-Vane eccentric rotary type |
| Blade type | High strength carbon |
| Maximum suction height | 29.5 ft 9 m |
| Features | |
|---|---|
| Shibaura Original 2 cycle Gasoline Engine | Yes |
| Shibaura Original Centrifugal Pump | Yes |
| Shibaura Original Vacuum Pump | Yes |
| Alert Monitoring System | Yes |
| Quick Discharge Valve | Yes |
This model is also worth comparing for rural response, remote sites, and limited-infrastructure deployment.
View the remote firefighting section

